Wir sind bestrebt, unsere Umweltleistung zu verbessern, indem wir unseren ökologischen Fußabdruck verringern und gleichzeitig als Nachhaltigkeitsfaktor für unsere Kunden agieren. Mehr erfahren
Produktbild CDA516D
Produktbild CDA516D
Hager Produktdatenblatt CDA516D
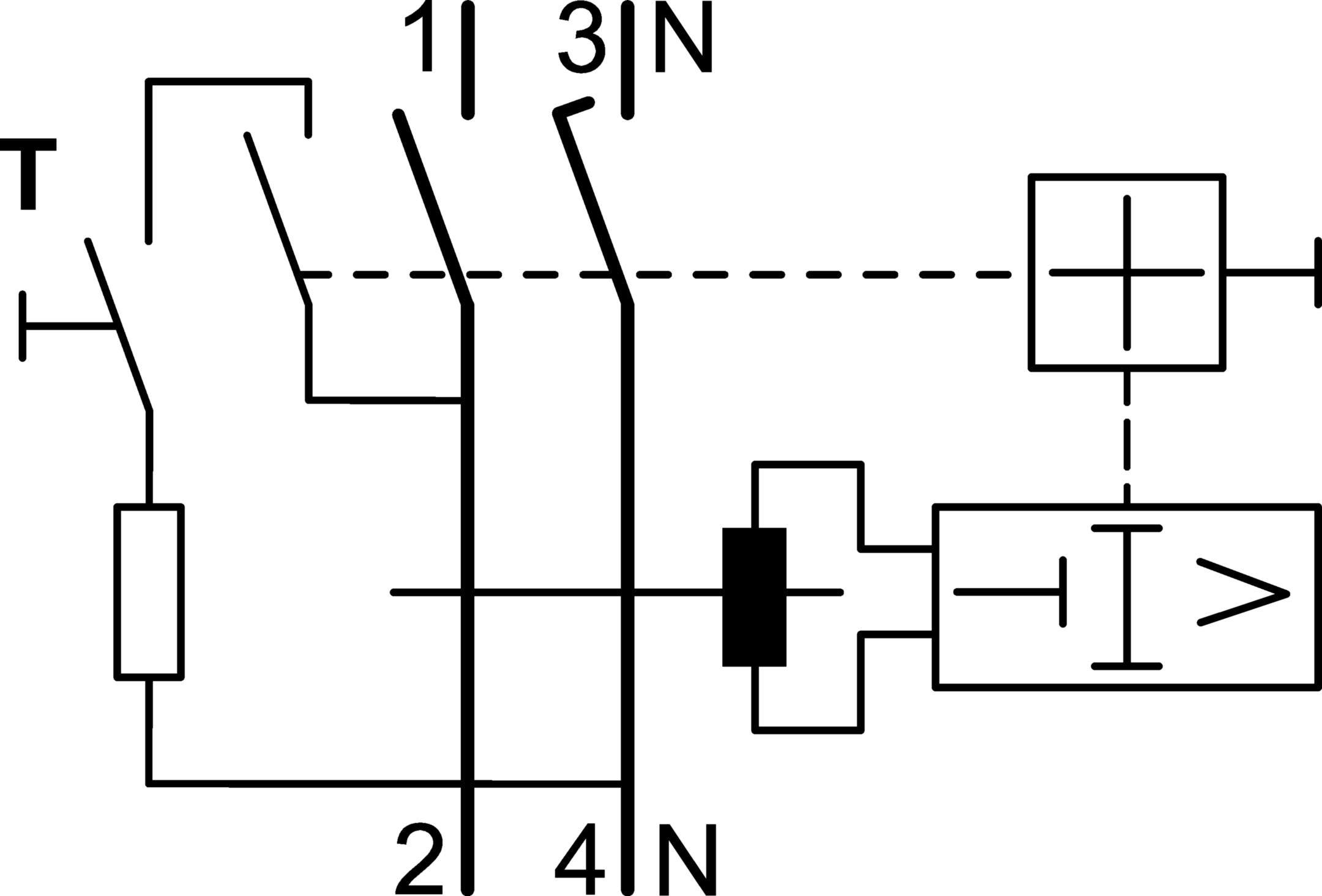
Fehlerstromschutzschalter 2 polig 10kA 16A 30mA Typ A
Montageanleitung es-ES, fr-FR, de-DE, it-IT, nl-NL 2023-01-13
Fehlerstromschutzschalter
für jede Anwendung der richtige Typ (21DE0241)
Verlustleistungsdatenblatt
Technischer Anhang (Einzelprodukt) de-DE 2021-10-20
Hagerplan - Der Ausschreibungstextkonfigurator
Ausschreiben leicht gemacht
Konformitätserklärung en-GB 2025-01-15
Die technische Anwendungsberatung hilft Ihnen persönlich rund um Themen der Türkommunikation weiter.
Name der Produktliste (maximal 55 Zeichen)
Wählen Sie Ihren Händler aus, um auf Ihre professionellen Preise zuzugreifen und online einzukaufen